Industry application

行业应用

OBC(车载充电器)
应用概述
OBC(车载充电器)应用概述

OBC(车载充电器)主要用于对EV电池包进行快速充电。负责将电网输入的高压交流电,转换为低压直流电,对EV的电池包进行快速充电。

OBC(车载充电器)
应用系统图
OBC(车载充电器)应用系统图
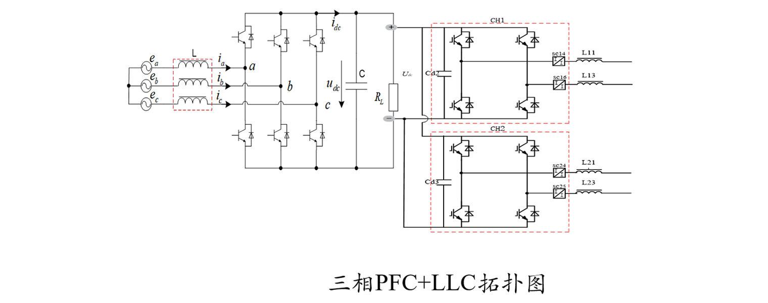
OBC(车载充电器)
应用拓扑图
OBC(车载充电器)应用拓扑图
OBC(车载充电器)
推荐产品

IGBT单管产品清单

Part Number VCE(V) Ic(A)@100℃ Vcesat(V) @25℃
typ
Eon(mJ) Eoff(mJ) Package Datasheet
MPBW50N65ED 650 50 1.6 0.9 1.12 TO-247 Download