SVG
应用概述
应用概述
SVG是典型的电力电子设备,由三个基本功能模块构成:检测模块、控制运算模块及补偿输出模块。其工作原理为由外部CT检测系统的电流信息,然后经由控制芯片分析出当前的电流信息、如PF、S、Q等;然后由控制器给出补偿的驱动信号,最后由电力电子逆变电路组成的逆变回路发出补偿电流。
333体育为客户提供不同功率段和电压等级的解决方案,产品涉及1700V 50A~900A及3300V系列模块。
SVG
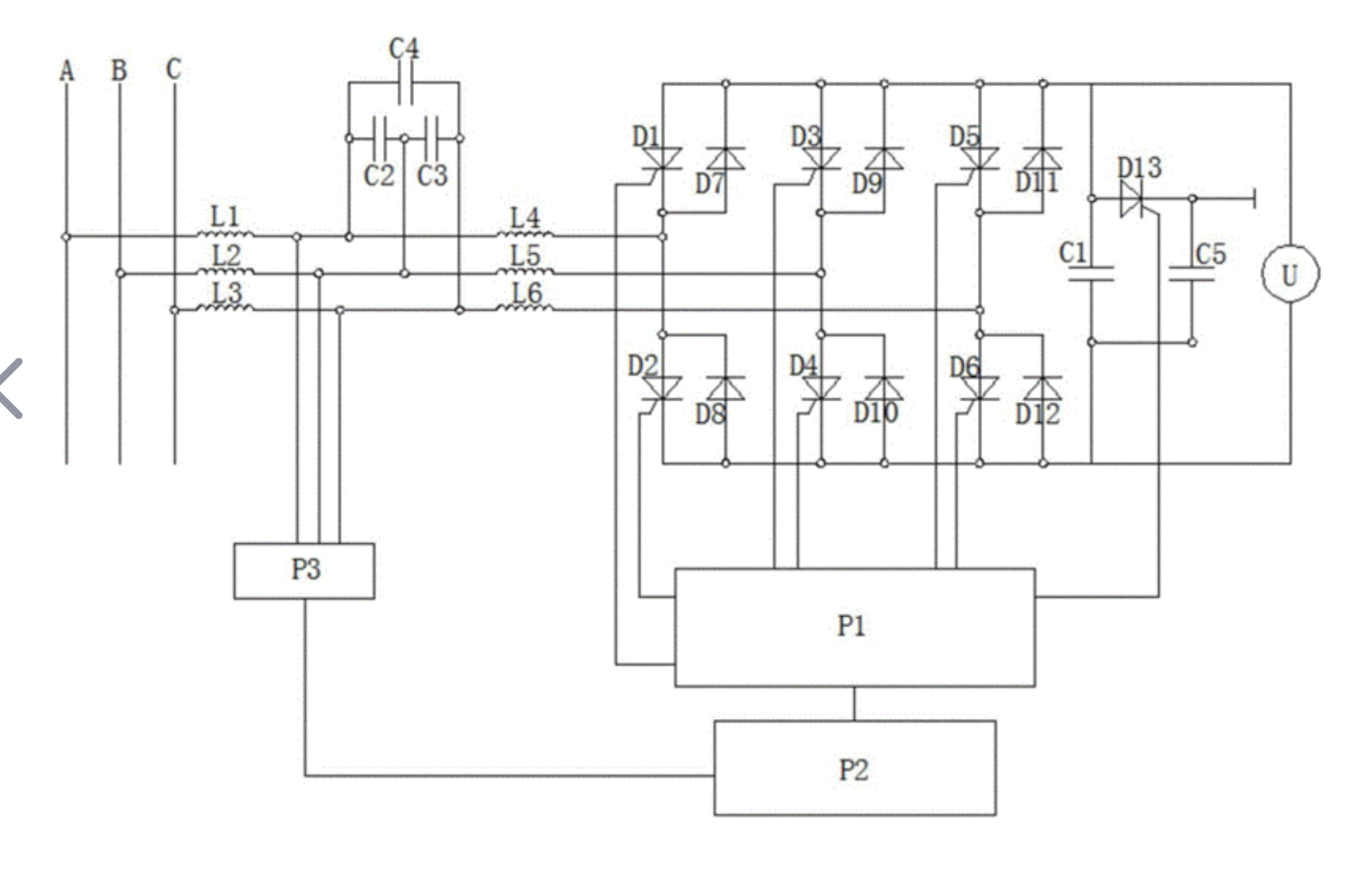
应用系统图
应用系统图
SVG
应用拓扑图
应用拓扑图
SVG
推荐产品
推荐产品
IGBT模块产品清单
| Part Number | VCE(V) | Ic(A)@100℃ | Vcesat(V) @25℃ typ |
Eon(mJ) | Eoff(mJ) | Package | Datasheet |
|---|---|---|---|---|---|---|---|
| MPFF75R17RBF | 1700 | 75 | 2 | 21.1 | 20.5 | 34mm module | Download |
| MPFF100R17RBF | 1700 | 100 | 2.2 | 22.5 | 21.9 | 34mm module | Download |
| MPFF300R17KBF | 1700 | 300 | 1.95 | 70.5 | 62.4 | 62mm module | Download |
| MPFF450R17MBF | 1700 | 450 | 2.29 | 153.1 | 131.5 | EconoDUAL 3 | Download |
| MPFF600R17MBF | 1700 | 600 | 2.3 | 291 | 169 | EconoDUAL 3 | Download |
| MPFF900R17MNF | 1700 | 900 | 2.6 | 931 | 523 | EconoDUAL 3 | Download |
硅基芯片及模组系列
第三代半导体芯片及模组系列